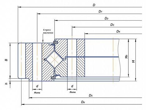
Описание
Однорядные роликовые с крестообразным расположением роликов с внешним зацеплением
Каталожный номер |
Кол-во отв. |
Кол-во зубьев |
Применение |
|
ОП-1451.2.1.8.3.Р.У1 |
40 |
180 |
Автокраны г/п 25 т.: Ивановец КС-45717, |


