О ЗАВОДЕ
НОВОСТИ
КАТАЛОГ
ДИЛЕРЫ
СЕРВИС
ПАРТНЁРЫ
КАРЬЕРА
КОНТАКТЫ
0
Добавлен в сравнение
Сравнить
+7 (916) 670-17-92
Отдел продаж
ОСТАВИТЬ ЗАЯВКУ
ENG
8 (800) 200-30-98
ENG
поиск
О ЗАВОДЕ
НОВОСТИ
КАТАЛОГ
ДИЛЕРЫ
СЕРВИС
ПАРТНЁРЫ
КАРЬЕРА
КОНТАКТЫ
ОСТАВИТЬ ЗАЯВКУ
ok
vk
telegram
Каталог
Подбор
Дилеры
Сервисы
Назад
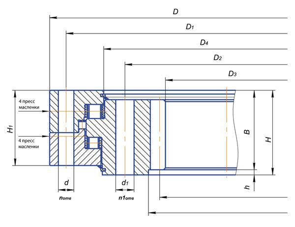
Трехрядные роликовые с внутренним зацеплением
Описание
Технические характеристики
Грузовысотные характеристики
Опции к автокранам
1
/ 2
2
/ 2
Описание
Каталожный номер
Кол-во отв.
Кол-во зубьев
Применяемость
ОП-2330.1.2.16.3.Р.У1-01
64/54
117
Стреловой кран г/п 63 т., кран башенный КБ-515, нефтяное оборудование
КОНФИГУРАТОР
Технические характеристики
КОНФИГУРАТОР
Грузовысотные характеристики
КОНФИГУРАТОР
Опции к автокранам
КОНФИГУРАТОР
Закрыть
Отправить отклик
Оставьте контактные данные и мы обязательно свяжемся с вами в ближайшее время
Выберите файл
Файл не выбран
Отправить отклик
Я принимаю
условия передачи информации
Закрыть
Подписка на новости
Оставьте свой email и узнавайте первым о событиях в жизни компании
Подписаться
Я принимаю
условия передачи информации
Следите за нами в соцсетях:
Закрыть
Сравнение ГВХ
Расширеный режим
Показать все
Дополнительные опции
Базовое опционное оборудование
Дополнительное оборудование
Сервис и услуги
Оставить заявку
Оставьте контактные данные и Ваш запрос и мы обязательно ответим на него
Описание заявки *
Страна эксплуатации автокрана(ов)
Ваше имя *
Ваш телефон *
E-mail *
Примечание к заявке
Нажимая на кнопку, я принимаю условия
Соглашения
Ваша заявка отправлена
Хорошо
Распечатать заявку
Отправить заявку на другой e-mail
E-mail *