ОП-1451.2.1.8.3.Р.У1-Б

1 / 2
2 / 2

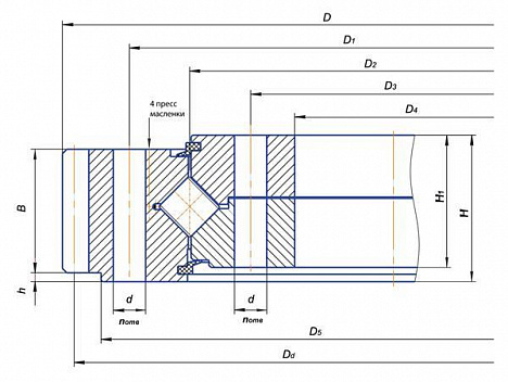
Описание

Однорядные роликовые с крестообразным расположением роликов с внешним зацеплением

Каталожный номер
Кол-во отв.
Кол-во зубьев
Применение

   ОП-1451.2.1.8.3.Р.У1-Б

40

180

Автокраны КС-45721, КС-4574

Технические характеристики

Грузовысотные характеристики

Характеристики

Опции к автокранам